CO2逆止弁は流体の方向をコントロールし、逆方向を遮断する機能を有する。またCO 冷媒システム中に、高水準の圧力状況でも通常作動可能。
製品特徴
• 全SUS製外殻、45MPaまで耐えられる高耐圧性
• ソフトシール構造、低内漏れ
• 内蔵スライドピストン設計、低差圧開弁
• 任意に取付られ、弾性調整部品
• シリーズ化設計、外形コンパクト
適合稼働環境
• 適用冷媒:R744(CO2)
• 最大作動圧力:15MPa
• 冷媒温度:-30℃~ +120℃
• 環境温度:-30℃~ +55℃
• 相対湿度:95%以下
技術パラメータ
項目 | パラメータ |
内漏れ | ≤100mL/min |
最小開弁圧力差 | 0.04MPa |
破壊強度 | 45MPa |
耐圧強度 | 22.5MPa |
仕様パラメータ
型番 | 型式 | 接続配管径(mm) | 口径 (mm) | Kv (m³/h) | 注文コード |
FDE6 | 直通型 | 6.35 | 4.0 | 0.40 | FDE6-001 |
FDE8 | 7.94 | 5.5 | 0.66 | FDE8-001 | |
FDE10 | 9.52 | 7.0 | 1.04 | FDE10-001 |
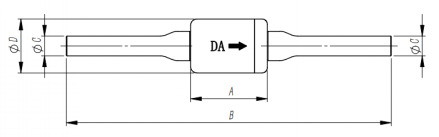
外形と取付寸法

型番 | 外形寸法(mm) | |||
A | B | C | D | |
FDE6 | 25 | 105 | 6.35 | 17.3 |
FDE8 | 7.94 | |||
FDE10 | 9.52 | 18.4 | ||